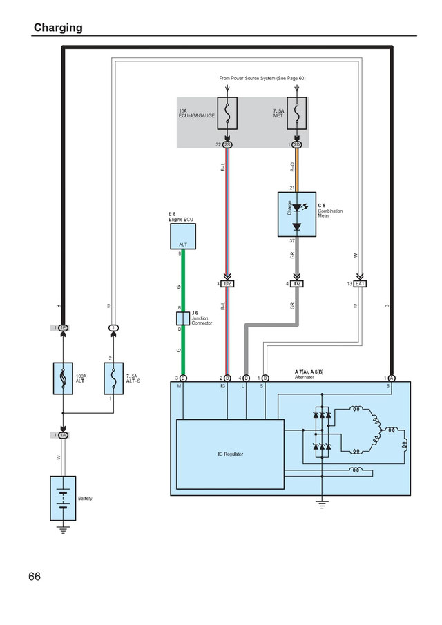
Toyota Hilux Wiring Diagram 2016 Speedometer And Odometer Not Working: I Have A 1993 Toyota Pickup...
Speedometer and odometer not working: i have a 1993 toyota pickup.... Wiring toyota hilux diagram 1975 diagrams 1973 diagrama manuals repair info 1974 1989 4runner corolla gmc electrical open. 4lo blinking toyota 2009 landcruiser enlarge
toyota hilux wiring diagram 2016
Download PDF
Repair-manuals: toyota hilux 1976 wiring diagrams


Wiring 2kd ecu. Toyota yaris 2016-2018 yaris (em26m0u) electrical wiring diagram. 42 toyota fujitsu ten 86140 wiring diagram. Toyotum hilux wiring diagram 2014
Wiring & diagram Info: Toyota Hilux 1975 Wiring Diagrams
repair-manuals: Toyota Hilux 1976 Wiring Diagrams
Toyota Hi Lux Diagnostic
4Lo Blinking: 4Lo Blinking, What Does It Mean? Is There Something
Toyota Yaris 2016-2018 Yaris (EM26M0U) Electrical Wiring Diagram | Auto

No comments:
Post a Comment